Каталог
Поиск
Казань, ул. Восстания, д. 100, корп. 266Д, оф. 333

Шаровые краны полнопроходные DN 600-800

В наличии
Бренд
VEXVE
Корпус
DN 15–400 Сталь, P235GH (1.0345), DN 500–800 Сталь, P355 NL1 (1.0566)/ GP240GH (1.0619)
Шар
DN 15–500 Нержавеющая сталь, X5CrNi18-10 (1.4301), DN 600–800 Сталь + нержавеющее покрытие, ASTM A350 LF2 +Ni
Шток
Нержавеющая сталь, X8CrNiS18-9 (1.4305)

По запросу

Условия работы

-30 °C — +200 °C

При температуре ниже 0 °C — обратитесь на завод-производитель.

Не для пара


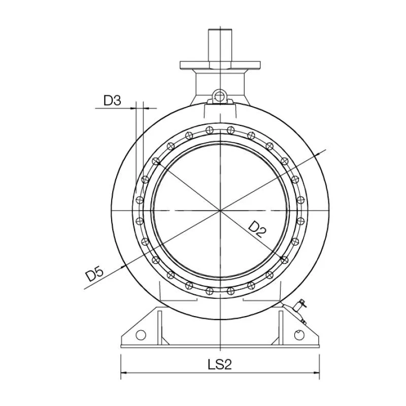
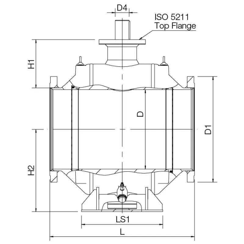
Product no. Vexve DN PN D D1 D2 D3 D4 D5
153600 600 16 589 840 770 36 100 965
153700 700 16 684 910 840 36 120 1125
153800 800 16 779 1025 950 39 140 1290

Product no. Vexve H1 H2 L LS1 LS2 Holes ISO 5211 kg
153600 371 616 1130 560 965 20 F35 2520
153700 416 709 1245 700 1028 24 F35 3660
153800 421 799 1385 680 1290 24 F40 5400
Бренд
VEXVE
Корпус
DN 15–400 Сталь, P235GH (1.0345), DN 500–800 Сталь, P355 NL1 (1.0566)/ GP240GH (1.0619)
Шар
DN 15–500 Нержавеющая сталь, X5CrNi18-10 (1.4301), DN 600–800 Сталь + нержавеющее покрытие, ASTM A350 LF2 +Ni
Шток
Нержавеющая сталь, X8CrNiS18-9 (1.4305)
Уплотнения штока
FPM
Уплотнения шара
PTFE+C
Фланцы
EN 1092-1, PN 10, PN 16, PN 25, PN 40
Комплектация
Дренажный кран, Монтажная опора, Подъемные проушины
Управление
Могут быть укомплектованы ручным редуктором, электрическим или гидравлическим приводом
pdf icon
Vexve Шаровые краны полнопроходные присоединительные размеры
Документ pdf 194.9 KB
pdf icon
Vexve Шаровые краны рабочие моменты EN
Документ pdf 171 KB
pdf icon
Vexve Арматура диаграмма потери давления полнопроходная DN10-DN800
Документ pdf 161 KB

        Товар добавлен в корзину
        Для отправки формы необходимо принять условия Политики конфиденциальности