Каталог
Поиск
Казань, ул. Восстания, д. 100, корп. 266Д, оф. 333

Стальные шаровые краны DN 700-800

В наличии
Бренд
VEXVE
Корпус
DN 10–500 Сталь, P235GH (1.0345), DN 600–800 Сталь, P355 NL1 (1.0566)/ GP240GH (1.0619)
Шар
DN 10–600 Нержавеющая сталь, X5CrNi18-10 (1.4301), DN 700–800 Сталь + нержавеющее покрытие, ASTM A350 LF2 +Ni
Шток
Нержавеющая сталь, X8CrNiS18-9 (1.4305)

По запросу

Условия работы

-30 °C — +200 °C

При температуре ниже 0 °C — обратитесь на завод-производитель.

Не для пара


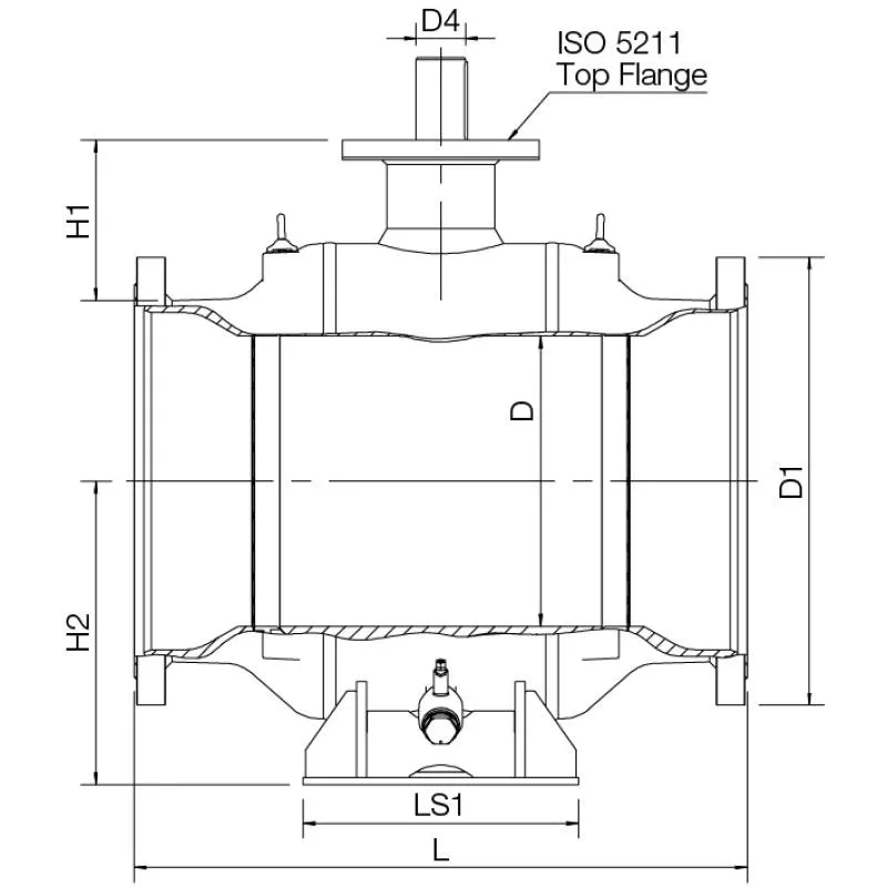
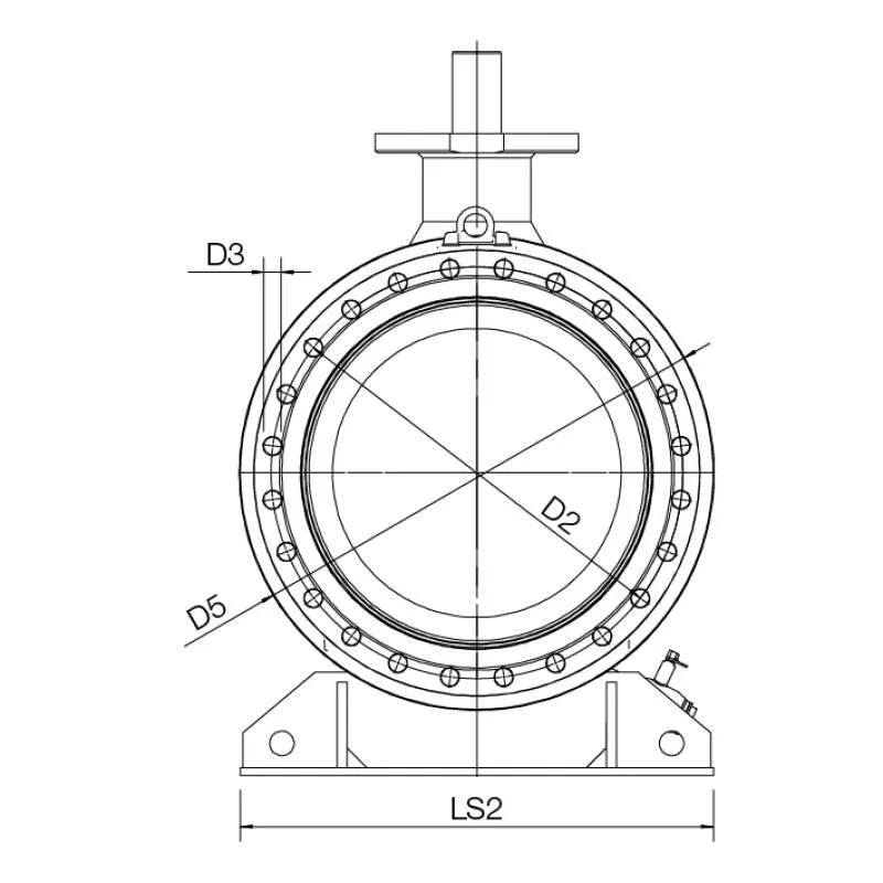
Product no. Vexve DN PN D D1 D2 D3 D4 D5
103700 700 16 589 910 840 36 120 965
103800 800 16 684 1025 950 39 140 1125

Product no. Vexve H1 H2 L L1 LS1 Holes ISO 5211 kg
103700 325 616 1245 560 965 24 F35 2800
103800 358 694 1385 700 1028 24 F35 4200
Бренд
VEXVE
Корпус
DN 10–500 Сталь, P235GH (1.0345), DN 600–800 Сталь, P355 NL1 (1.0566)/ GP240GH (1.0619)
Шар
DN 10–600 Нержавеющая сталь, X5CrNi18-10 (1.4301), DN 700–800 Сталь + нержавеющее покрытие, ASTM A350 LF2 +Ni
Шток
Нержавеющая сталь, X8CrNiS18-9 (1.4305)
Уплотнения штока
FPM
Уплотнения шара
PTFE+C
Фланцы
EN 1092-1, PN 10, PN 16, PN 25, PN 40
Комплектация
Дренажный кран, Монтажная опора, Подъемные проушины
Управление
Могут быть укомплектованы ручным редуктором, электрическим или гидравлическим приводом
pdf icon
Vexve Шаровые краны эксплуатационные моменты EN
Документ pdf 171 KB
pdf icon
Vexve Шаровые краны редуцированный проход присоединительные размеры
Документ pdf 134.8 KB
 icon
Vexve Арматура диаграмма потерь давления редуцированный проход DN15-DN800
Документ NAN

        Товар добавлен в корзину
        Для отправки формы необходимо принять условия Политики конфиденциальности