Каталог
Поиск
Казань, ул. Восстания, д. 100, корп. 266Д, оф. 333

Шаровые краны для газа ГОСТ DN 700-800

В наличии
Бренд
VEXVE
Корпус
DN 10–500 Сталь, P235GH (1.0345), DN 600–800 Сталь, P355 NL1 (1.0566)/ GP240GH (1.0619)
Шар
DN 10–600 Нержавеющая сталь, X5CrNi18-10 (1.4301), DN 700–800 Сталь + нержавеющее покрытие, ASTM A350 LF2 +Ni
Шток
Нержавеющая сталь, X8CrNiS18-9 (1.4305)

По запросу

Условия работы

-40 °C — +70 °C

При температуре выше +70 °C — обратитесь на завод-производитель.
При температуре ниже -30 °C — обратитесь на завод-производитель.

Не для пара


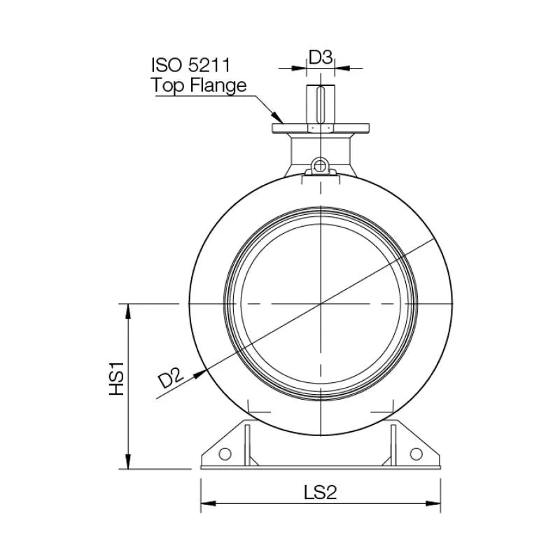
Product no. Vexve DN PN D D1 D2 D3 H1 H2
110700/GS 700 25 589 720 965 100 332 592
110800/GS 800 25 684 820 1125 120 363 684

Product no. Vexve HS1 L LS1 LS2 S ISO 5211 kg
110700/GS 616 1205 560 965 12 F35 2500
110800/GS 709 1330 700 1028 12 F35 3650
Бренд
VEXVE
Корпус
DN 10–500 Сталь, P235GH (1.0345), DN 600–800 Сталь, P355 NL1 (1.0566)/ GP240GH (1.0619)
Шар
DN 10–600 Нержавеющая сталь, X5CrNi18-10 (1.4301), DN 700–800 Сталь + нержавеющее покрытие, ASTM A350 LF2 +Ni
Шток
Нержавеющая сталь, X8CrNiS18-9 (1.4305)
Уплотнения штока
NBR
Уплотнения шара
PTFE+C
Комплектация
Монтажная опора, Подъемные проушины
Управление
Могут быть укомплектованы ручным редуктором, электрическим или гидравлическим приводом
pdf icon
Vexve Шаровые краны рабочие моменты EN
Документ pdf 171 KB
pdf icon
Vexve Арматура диаграмма потери давления редуцированный проход DN15-DN800
Документ pdf 162 KB

        Товар добавлен в корзину
        Для отправки формы необходимо принять условия Политики конфиденциальности